В Черноморске ценят предметы
старины и охотно на них катаются.
Бендер О.И.
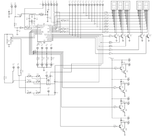
Есть еще пром. предприятия на просторах нашей необъятной родины, где в дикой природе встречаются экземпляры техники, известные широкой публике только по картинкам из красной книги учебников. В одном из таких заповедных мест удалось побывать по рабочим вопросам.

